Назначение
- Для автоматического включения и выключения нагрузки при появлении движущихся объектов в зоне обнаружения датчика
Применение
- Включение освещения в помещении при открывании двери;
- Автоматическое открывание дверцы шкафа по движению ладони
- Включение сигнализации при открытии окна
- Контроль движения продукции на конвейере на производстве
- Контроль положения подвижных механизмов в пространстве: лифтовое и подъемное оборудование, ворота с автоматическими приводами и др.
Материалы
- Корпус датчика выполнен из не поддерживающего горение пластика
Конструкция
- Внутри выносного сенсора расположены передатчик и приемник. Поток излучения от передатчика попадает на поверхность объекта, от которого происходит его отражение в различных направлениях.
- Распределение отраженного потока определяется оптическими свойствами объекта. Часть потока возвращается обратно в приемник, вызывая его срабатывание.
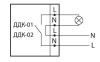
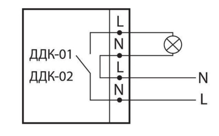
- ДДК-01 – включает освещение при первом приближении объекта, выключает при повторном приближении объекта
- ДДК-01 – включает освещение при удалении объекта, выключает – при приближении
Преимущества
- Датчики срабатывают на движение любых объектов, находящихся на расстоянии до 6 см;
- Выносной датчик имеет компактные размеры и малозаметен
- Длина провода от корпуса до выносного датчика – 1,5 метра, при необходимости ее можно увеличить до 50 метров, используя любой трехжильный провод.
| Наименование параметра |
Значение |
||
|---|---|---|---|
| Типоисполнение датчика |
ДДК-01 |
ДДК-02 |
|
| Тип датчика |
оптический |
||
| Номинальное напряжение, В |
230 |
||
| Номинальная частота, Гц |
50 |
||
| Максимальная суммарная мощность нагрузки ламп накаливания, Вт |
500 |
||
| Максимальная суммарная мощность нагрузки люминесцентных ламп, Вт |
300 |
||
| Дальность обнаружения, см |
6 |
||
| Собственная потребляемая мощность (в режиме работы / в режиме ожидания), Вт |
0,45/0,1 |
||
| Степень защиты | Корпуса |
IP20 |
|
| Датчика |
IP31 |
||
| Цвет |
белый |
||
| Диапазон рабочих температур, 0С |
От -20 до +50 |
||
| Длина провода от корпуса до датчика |
1,5 |
||
| Диаметр установочного отверстия внешнего датчика, мм |
13 |
||
| Логика срабатывания датчика |
Повторное движение |
Открытие-закрытие |
|
Для покупки товара в интернет-магазине БелЭлектрикМонтаж выберите требуемый к покупке товар и добавьте его в корзину. Далее перейдите в Корзину и нажмите на «Оформить заказ» или «Быстрый заказ».
Когда оформляете быстрый заказ, напишите ФИО, телефон и e-mail. Вам в любом случае перезвонит наш профессиональный менеджер и уточнит условия заказа. Теперь останется только ждать доставки и радоваться новой покупке.
Оформление заказа в стандартном режиме выглядит следующим образом. Заполняете полностью форму по последовательным этапам: адрес, способ доставки, оплаты, данные о себе. Советуем в комментарии к заказу написать информацию, которая поможет курьеру вас найти. Нажмите кнопку «Оформить заказ».
Мы позаботились о том, чтобы оплата покупки была доступна в той форме, которую предпочитаете лично вы. Независимо от выбранной формы оплаты, расчет производится только в белорусских рублях.
Информация и персональные данные, которые мы получаем от вас (включая, но не ограничиваясь: имя, фамилия, телефон, адрес электронной почты и т. д.) надежно хранятся в нашей базе данных в соответствии с действующим законодательством –Республики Беларусь и не подлежат распространению третьим лицам.
- Вы можете оплатить покупку при доставке, рассчитываясь с курьером наличными деньгами. Если вы осуществляете самовывоз, оплату необходимо будет совершить в кассе розничного магазина.
- Оплата курьеру при доставке. Также возможна оплата через терминалы во всех розничных магазинах.
- К оплате принимаются карты Visa, MasterCard, Белкарт – мы рекомендуем вам заранее обратиться в свой банк, чтобы удостовериться в том, что ваша карта может быть использована в системе Webpay.
Экономьте время на получении заказа. В интернет-магазине БелЭлектрикМонтаж Вам будут предложены следующие варианты доставки:
- Доставка по г. Минску в течении часа до 50 руб -20 рублей, до 200 руб – 10 руб, сыше 200 руб – доставка бесплатна.
- Доставка по Беларуси до двери курьером (1-2 рабочих дня*) - 11 BYN (до 1кг) 14BYN (до 3кг) 17BYN (до 15кг). Расчет производится при получении.
- Доставка по Беларуси до почтового отделения (2-3 рабочих дня) - 8 BYN (до 1кг) 11BYN (до 3кг) 14BYN (до 15кг). –асчет производится при получении посылки в почтовом отделении наложенным платежом.
Для оформления заказа с доставкой сформируйте заказ через корзину на сайте, где на этапе выбора способа доставки выберите один вариант из предложенных.
Компания БелЭлектрикМонтаж - это надежный поставщик электротехнической продукции, который готов предложить широкий ассортимент товаров со своего склада в Минске. Мы заботимся о качестве нашей продукции и гарантируем ее надежность и безопасность.
Наша компания имеет многолетний опыт работы на рынке электротехники и знает, как важно обеспечить клиентов только лучшими материалами и оборудованием. Мы тщательно отбираем поставщиков и следим за качеством каждого товара, чтобы уверенно предоставлять вам только лучшее.
Благодаря нашему собственному складу в Минске, мы готовы оперативно и надежно поставлять необходимые вам товары в любое время. Доверьтесь нам и получите высококлассную электротехнику от проверенного поставщика - компании БелЭлектрикМонтаж
